Discover the next generation of surface quality control at Paint Expo 2026. Visit Hall 1, Stand 1149 and explore smarter ways to control surface appearance. Plan your visit.

Aesthetix: The Ultimate Surface Finish Solution​

Aesthetix: The Ultimate Surface Finish Solution​

Rhopoint Aesthetix features

 

  • Supports upside-down operation, enabling users to place samples directly onto the measurement aperture for improved handling and positioning
  • Ideal for small, delicate, or irregularly shaped parts where traditional placement is challenging
  • Fully integrated optical system combining a 0°/60° CMOS RGB camera with multiple controlled illumination sources
  • Includes 10° spot illumination, 15° wave light, 45° circumferential white LEDs (6x), and dedicated 60° gloss lighting
  • Manual measurement button allows quick readings during handheld operation, improving efficiency in mobile use
  • Ergonomic design supports both benchtop and in-hand measurements without compromising stability
  • Interchangeable measurement apertures enable precise targeting of small areas or adaptation to curved and complex surfaces
  • Compatible with accessories such as small spot masks and curved surface adaptors for increased application flexibility

Why is Aesthetix the ultimate surface appearance measurement solution?

Multiple aspects of surface appearance contribute to how the quality of a surface is perceived. Consumers subconsciously observe the glossiness, colour, translucency and texture of surfaces when judging the aesthetic appeal of a product.

Product aesthetics is a major factor in driving consumer purchase. Designers and manufacturers invest significant resources in optimizing materials and processes for maximum consumer appeal.

Aesthetix uses cutting-edge measurement technology* to quantify overall surface appearance with the closest correlation to human perception.

Multiple aspects of appearance can be measured with Aesthetix

*Measurement technology co-developed with industrial and academic partners.

What is the Rhopoint Aesthetix?

Aesthetix is an advanced system that predicts the impact of surface quality on consumer perception using new measurement metrics.

This modular device measures all aspects of surface quality, including glossiness, texture, topography, surface patterns, and visual homogeneity. Adaptable to various workflows, it can measure flat, curved, and small areas with contact or non-contact methods. Aesthetix can distill complex measurement into easy to understand perception parameters which can be used to set pass/fail tolerances. Enhanced with Rhopoint Appearance Elements software, it supports data sharing, storage, analysis and reporting, making it a comprehensive tool for surface quality assessment.

Aesthetix Implementation

Research and Development

Use Aesthetix perception metrics to understand what makes a perfect surface finish in the eyes of the consumer. Set new standards with defined pass/fail criteria.

Deploy Aesthetix technology to suit your workflow

Quality control

A simple QA interface with job based work flow can be employed for routine surface inspection.

Coming Soon

Automation

Designed for automation, the noncontact Aesthetix sensor can be integrated into a cobot or robot measurement cell.

Portable inspection

Connected to a tablet, the Aesthetix can be used as a portable off-site measurement tool.

Advanced Data Management

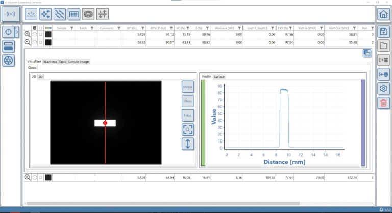
Rhopoint Appearance Elements software is used to analyse measured results by comparing values, images and topographical information against reference standards.

Aesthetix Appearance Elements Software screenshot

Scalable data management

Rhopoint Appearance Elements provides a structured, fully indexed database for precise process optimisation and future AI-driven decision-making.

Local

A local database stores results, data and images from a single instrument. Data and images can be output for further analysis.

Network

A network database for multiple instruments and locations.

Coming Soon

Cloud

Host your database on the Rhopoint cloud or use your organisation’s cloud.

Coming Soon

Aesthetix Technology

Dual camera system:
Designed to capture detailed information about the surface and how it interacts with light.

Observer camera:
Captures a highly detailed colour-correct image of the surface.

Gloss camera:
HDR images are used to characterise multiple aspects of surface glossiness.

Specular light source:
Conforming to ISO 2813 and ASTM D523, this is used in the calculations for gloss, visual gloss, DOI, sharpness, haze, visual haze.

6 x 45° ring lights:
Used to light the surface for image capture, sparkle analysis and photometric stereo.

Line light:
Used to measure orange peel and surface waviness.

10° spot light:
Used in the analysis of scratches, holograms and haze.

Using Aesthetix technology

The Aesthetix instrument vision system comprises of a sensor unit connected via USB 3.0 supporting onsite inspection with a tablet, surface analysis with a laboratory PC and in-line quality control via SPC.

This modular device measures all aspects of surface quality, including glossiness, texture, topography, surface patterns, and visual homogeneity. Adaptable to various workflows, it can measure flat, curved, and small areas with contact or non-contact methods.

Versatile Measurements for all Applications

Measures flat surfaces, curved parts and small surface areas

Small Surface Areas

Interchangeable measurement adaptors allow for measurement of flat surfaces, small parts, small areas and curved surfaces.

The instrument is able to accept custom jigs and adaptors for more repeatable measurement of small and complex parts.

For non-contact measurement of delicate surfaces, liquid coatings, gels, creams and pastes, Aesthetix can be used with a height-adjustable stand.

High-throughput sample analysis can be achieved with Aesthetix integrated into a laboratory cobot system.

The Aesthetix can be integrated into a production environment as a non-contact in-line sensor.

Aesthetix instrument upside down with confectionary place on top and around the instrument

Rhopoint Appearance Elements

appearance elements logo

Rhopoint Appearance Elements software is at the heart of the Aesthetix instrument vision system, capturing images for analysis with cutting-edge algorithms. Measurement images, graphs, and topographical surface maps illustrate the appearance qualities of the surface. Numeric results and images are stored in a local, network or cloud database, ensuring secure, scalable data management.

Why use Aesthetix?

Match what the eye sees

Create the perfect surface finish by measuring all the parameters that affect visual appearance and match what your eye sees.

Aesthetix Vision Sensor

A dual camera sensor with innovative lighting captures HDR surface and gloss images with exceptional resolution lower than the human eye.

Aesthetix Vision Engine

The Rhopoint Appearance Element software uses perception algorithms to calculate parameters that predict the human visual response to important surface characteristics.

Compares standards against visual judgement

Uniquely, the Rhopoint Appearance Element software allows technical control based on ISO or ASTM standard procedures and at the same time, checks for visual judgment.

Aesthetix Modular System

Surface Brilliance

A combination of perception metrics that comprehensively describe the reflectivity and visual quality of high-quality, high-gloss surfaces.

Gloss
Visual Gloss
Haze
Sharpness
Waviness
Colour
Aesthetix red paint cross-cut handle right side

Cross-cut Adhesion

Aesthetix Cross-cut Adhesion Module replaces the subjective analysis of reproducible imaging measurement, increasing the speed and accuracy of a critical test which quantities durability and performance of a coating under various conditions.

Cross-cut class

Effect Finish

Coatings with effect pigments exhibit sparkle and coarseness. Sparkle refers to a visual texture observed when mirror-like elements within a surface reflects light.

Coarseness
Colour
Density
Visibility
Waviness
Haze
Gloss

Polishing Quality

The Rhopoint Polishing Quality Module is designed to objectively quantify scratches, holograms, and swirls on high-gloss automotive surfaces. Additionally quantifying gloss, haze, sharpness / DOI for a complete surface characterisation. Ideally suited for manufacturers optimising polishing processes and evaluating spot repairs.

Polishing Defects
Gloss
Haze
Sharpness / DOI

Texture

Materials with surface texture such as automotive interior plastics, leather and powder coatings need to have uniformity of appearance and pattern to have maximum visual appeal. The Rhopoint Aesthetix analyses surface texture to help manufacturers create consistent products with optimum visual appearance and tactile qualities.

Cell Amplitude
Cell Size
Reflectivity
Perceived Roughness
Gloss
Colour

Related Aesthetix: The Ultimate Surface Finish Solution​ Webinars

Rhopoint Aesthetix
19 May, 10:00 BST

Surface Perfection Achieved

Exploring the Capabilities of the Rhopoint Aesthetix Polishing Quality Module

Aesthetix Buyer's Guide

Aesthetix Configuration

  • Instrument
  • Minimum one module:
    • Surface Brilliance
    • Cross-cut Adhesion
    • Effect Finish
    • Polishing Quality
    • Texture

Aesthetix is powered by Rhopoint Appearance Elements Software

Optional Extras

  • Adapter plates
  • Custom adapter (contact us to find out more)
  • Benchtop stand

Recommended System Requirements

  • OS: Windows 11 (Windows 10 supported until October 2025)
  • Memory: 16GB
  • CPU: x64 (x86 and ARM are not supported)
  • Port: USB 3.0 USB-C or Thunderbolt
  • Screen Resolution: 1920 x 1080

Try before you buy

We offer two options for you to try out the Aesthetix before buying.

Online demonstration: Online presentation of the Aesthetix with your samples measured LIVE on Microsoft Teams. Includes a consultation with an application specialist.
Factory sample testing: Send in samples of your material for testing and receive a comprehensive test report.

Email me a price and product summary

Please note, this is NOT a quotation, just a confirmation of the price when purchased in the UK exclusive of VAT/duties

Watch our Aesthetix webinars

Aesthetix: The Ultimate Surface Finish Solution​